Ecolitbau s.r.o.
G-24 Rodinný dům
G-24 Rodinný dům
1- Fáze: Hrubá stavba
2 - Fáze: Stavba na klíč ( rozpis ZDE )
✅ Moderní ocelová konstrukce
✅ Zateplení PUR pěnou – vysoká úspora energií
✅ Rychlá a přesná montáž
✅ Odolná fasáda a střecha
Základní parametry:
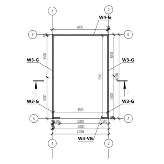
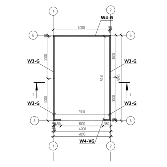
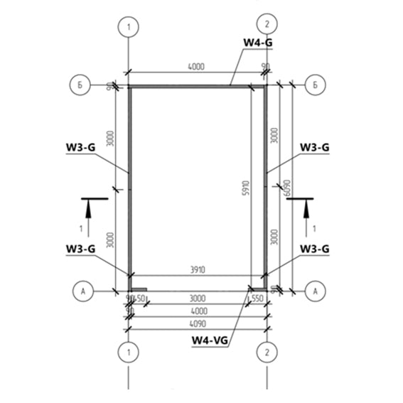
Zastavěná plocha: 24,54 m²
Užitná plocha: 23,1 m²
Co hrubá stavba obsahuje:
🔩 Ocelová rámová konstrukce ECOLIT
Naše společnost využívají moderní ocelovou rámovou technologii ECOLIT, která spojuje pevnost, přesnost a výborné izolační vlastnosti.
Hlavní nosnou část tvoří lehký ocelový skelet, který je vyplněn PUR pěnou aplikovanou nástřikem. Díky této technologii získává konstrukce výborné tepelně-izolační vlastnosti, přičemž nevznikají žádné tepelné mosty.
Vchodové dveře
Plastová okna + parapety
🧱 Obvodové zdi (vnější stěny):
Každá obvodová stěna se skládá z několika pečlivě navržených vrstev:
Vnitřní sádrokarton – čistý a rovný povrch pro interiér
PUR pěna (izolace) – nástřikem vyplněná dutina ocelového rámu
OSB deska
Extrudovaný polystyren (XPS) – další tepelná izolace zvenčí
Mnichovská omítka ( sít, lepidlo, omítka) – moderní a odolný finální povrch
🔒 Výsledek? Silná, pevná a teplá zeď, která je připravená odolávat počasí i času.
🏠 Střecha a strop:
Tento dům je vybaven rovnou střechou, která kombinuje moderní vzhled s vysokou funkčností.
Z vnější strany ji kryje odolný střešní plech, uvnitř je zakončena sádrokartonovým stropem, a prostor mezi nimi je vyplněn stříkanou PUR pěnou – ta dokonale utěsní celou konstrukci a zajistí špičkovou tepelnou izolaci.
Bez tepelných mostů
Ochrana proti vlhkosti
Moderní a čistý vzhled
💡 Díky PUR pěně stříkané přímo do konstrukce nevznikají mezery – střecha je kompaktní a těsnící, ideální pro celoroční použití.
🚪 Vnitřní příčky:
Příčky mezi místnostmi jsou lehké, ale pevné, a poskytují dostatečné odhlučnění:
PUR pěna – nástřik do profilu
Sádrokarton – hotový interiérový povrch
🧼 Stěny lze snadno upravit, natírat, vrtat či osazovat standardní elektroinstalací.
🟢 Výhody konstrukce s PUR pěnou
Vysoká tepelná izolace (ušetříš na vytápění)
Dokonalé vyplnění – žádné mezery nebo tepelné mosty
Pevná a lehká konstrukce
Rychlá montáž a suchý proces výstavby
Dlouhá životnost bez údržby Dostatečné odhlučnění
👉 Tento dům je ideálním řešením pro ty, kteří hledají moderní, úsporné a rychle postavené bydlení.



